top of page


Conhecimento sobre Programação de PLC
PLC com Engenharia de
Software
Search
Paulo Ricardo Siqueira Soares
Nov 17, 20231 min read
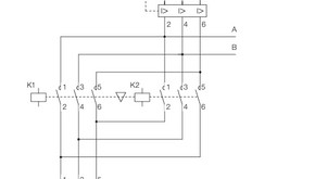
PLC do Rascunho ao Software -11
Bom chegou a hora de iniciar nosso software, observem que os vídeos vão mostrar o software em construção em 3 plataformas diferentes, ou...
bottom of page


















